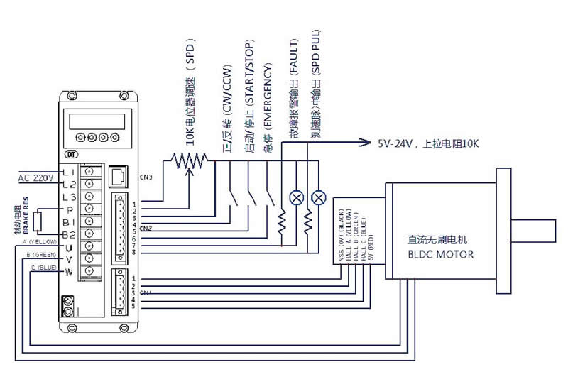
帶制動電阻的直流無刷電機控制器
220V大功率驅動器,主要采用國際最新電機專用數字處理器DSP 為核心配以高速度數字邏輯芯片高品質功率模塊,組成具有集成度高、體積小、保護完善、接線簡潔明了、可靠性高等一系列優(yōu)點。該驅動器可提供:操作面板速度設定,外部模擬電壓調速、外部電位器調速,脈寬調速等功能。采用高速核心控制部件控制,具有操作安全(控制部件和功率部件全隔離)、調速方式靈活多樣、轉速即時顯示、保護功能齊全、功率部件提供硬件保護等特點。

·輸入電源AC180/250VAC 50/60Hz
·連續(xù)輸出電流: 4.9A,適合1200W 以下的無刷電機
·最大輸出電流: 9.9A,
·使用溫度0~+45° C
·保存溫度-20~+85° C
·使用及保存濕度<85% [ 不結霜條件]
·構造壁掛箱體式
·具有緩啟動功能,避免電流過沖,有效保護電機
·冷卻方式:主動散熱器方式
·控制信輸入輸出信號:全隔離
·保護機能:過電流、過熱、過速度、過電壓、欠壓控制電源異常保護
·面板界面:6 位LED 顯示4 位按鍵操作
電機和驅動器接線注意事項

關于制動電阻

P和B2端子可以外接制動電阻,主要用于變頻器控制電機快速停車的機械系統(tǒng)中,幫助電機將其因快速停車所產生的再生電能轉化為熱能。
制動電阻原理:電動機在工作頻率下降過程中,將處于再生制動狀態(tài),拖動系統(tǒng)的動能要反饋到直流電路中,使直流電壓UD不斷上升,甚至可能達到危險的地步。因此,必須將再生到直流電路的能量消耗掉,使UD保持在允許范圍內。制動電阻就是用來消耗這部分能量的。
這就是制動電阻的作用,把動能轉換成電能釋放掉,驅動器中通常有電容,用來存貯轉換出的電能,但是電容的容量有限,超出部分就需要用電阻來釋放掉。
- 標簽

